| 产品列表 |
|
 |
| |
| 联系我们 |
浙江鑫良精密科技有限公司
地址:浙江省嘉兴市嘉善县干窑镇亭耀东路156号
电话:0573-84519672
手机:13586414027
网址:www.xl-bearing.com |
|
 |
|
|
 |
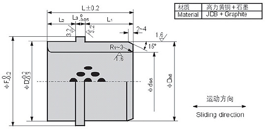
| JFB-2中托司铜基石墨导套 |
|
|
| 产品描述 |
|
|
|
Φd G6 |
ΦD h6 |
ΦF |
L |
L1 |
L2 |
L3 |
|
JFB-2-10*24 |
10 |
|
16 |
|
21 |
24 |
10 |
10 |
4 |
|
JFB-2-10*28 |
10 |
16 |
21 |
28 |
14 |
10 |
4 |
|
JFB-2-12*26 |
12 |
|
18 |
21 |
26 |
12 |
10 |
4 |
|
JFB-2-12*28 |
12 |
18 |
21 |
28 |
14 |
10 |
4 |
|
JFB-2-13*26 |
13 |
22 |
|
25 |
26 |
12 |
10 |
4 |
|
JFB-2-13*28 |
13 |
22 |
25 |
28 |
14 |
10 |
4 |
|
JFB-2-13*33 |
13 |
22 |
25 |
33 |
19 |
10 |
4 |
|
JFB-2-13*38 |
13 |
22 |
25 |
38 |
24 |
10 |
4 |
|
JFB-2-16*26 |
16 |
25 |
30 |
26 |
12 |
10 |
4 |
|
JFB-2-16*28 |
16 |
25 |
30 |
28 |
14 |
10 |
4 |
|
JFB-2-16*33 |
16 |
25 |
30 |
33 |
19 |
10 |
4 |
|
JFB-2-16*38 |
16 |
25 |
30 |
38 |
24 |
10 |
4 |
|
JFB-2-20*26 |
20 |
|
30 |
35 |
26 |
12 |
10 |
4 |
|
JFB-2-20*28 |
20 |
30 |
35 |
28 |
14 |
10 |
4 |
|
JFB-2-20*33 |
20 |
30 |
35 |
33 |
19 |
10 |
4 |
|
JFB-2-20*38 |
20 |
30 |
35 |
38 |
24 |
10 |
4 |
|
JFB-2-25*26 |
25 |
35 |
|
40 |
26 |
12 |
10 |
4 |
|
JFB-2-25*28 |
25 |
35 |
40 |
28 |
14 |
10 |
4 |
|
JFB-2-25*33 |
25 |
35 |
40 |
33 |
19 |
10 |
4 |
|
JFB-2-25*38 |
25 |
35 |
40 |
38 |
24 |
10 |
4 |
|
JFB-2-30*33 |
30 |
40 |
45 |
33 |
14 |
15 |
4 |
|
JFB-2-30*38 |
30 |
40 |
45 |
38 |
19 |
15 |
4 |
|
JFB-2-30*43 |
30 |
40 |
45 |
43 |
24 |
15 |
4 |
|
JFB-2-32*38 |
32 |
|
42 |
47 |
38 |
19 |
15 |
4 |
|
JFB-2-32*43 |
32 |
42 |
47 |
43 |
24 |
15 |
4 |
|
JFB-2-32*48 |
32 |
42 |
47 |
48 |
29 |
15 |
4 |
|
JFB-2-35*38 |
35 |
46 |
|
50 |
38 |
19 |
15 |
4 |
|
JFB-2-35*43 |
35 |
46 |
50 |
43 |
24 |
15 |
4 |
|
JFB-2-35*48 |
35 |
46 |
50 |
48 |
29 |
15 |
4 |
|
JFB-2-40*48 |
40 |
52 |
57 |
48 |
24 |
20 |
4 |
|
JFB-2-40*53 |
40 |
52 |
57 |
53 |
29 |
20 |
4 |
|
JFB-2-50*48 |
50 |
62 |
67 |
48 |
24 |
20 |
4 |
|
JFB-2-50*53 |
50 |
62 |
67 |
53 |
29 |
20 |
4 |
|
JFB-2-K-30*37 |
30 |
|
42 |
|
47 |
37 |
14 |
15 |
8 |
|
JFB-2-K-30*42 |
30 |
42 |
47 |
42 |
19 |
15 |
8 |
|
JFB-2-K-30*47 |
30 |
42 |
47 |
47 |
24 |
15 |
8 |
|
JFB-2-K-30*52 |
30 |
42 |
47 |
52 |
29 |
15 |
8 |
|
JFB-2-K-40*53 |
40 |
|
55 |
|
60 |
53 |
20 |
25 |
8 |
|
JFB-2-K-40*57 |
40 |
55 |
60 |
57 |
24 |
25 |
8 |
|
JFB-2-K-40*60 |
40 |
50 |
|
55 |
60 |
32 |
20 |
8 |
|
JFB-2-K-40*67 |
40 |
55 |
|
60 |
67 |
29 |
30 |
8 |
|
JFB-2-K-40*70 |
40 |
50 |
55 |
70 |
42 |
20 |
8 |
|
JFB-2-K-50*67 |
50 |
62 |
67 |
67 |
29 |
30 |
8 |
|
JFB-2-K-50*87 |
50 |
62 |
67 |
87 |
39 |
40 |
8 |
|
JFB-2-K-60*67 |
60 |
|
74 |
82 |
67 |
29 |
30 |
8 |
|
JFB-2-K-60*87 |
60 |
74 |
82 |
87 |
39 |
40 |
8 | |
|
|
|
|